Wednesday, July 18, 2018
Smart Fortwo engine gasket
Smart Fortwo is a rear engine, rear wheel drive, 2 seaters city car, although its manufacturer is Daimler AG, but their engine is seems mostly using the Mitsubishi type, previously we had share the photo on those under 3A91 and 3A92 type, and this photo is showing the 3B21 engine code in Mitsubishi which install on Smart Fortwo 2007 onwards.
Friday, July 13, 2018
Nissan HR15DE and HR16DE Rocker Cover Gasket Kit Set
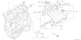
The Nissan HR15DE and HR16DE intake manifold gasket is the rubber o-ring type of gasket, unlike other engine that also use the rubber type o-ring manifold gasket, we found that the HR15DE and HR16DE (This may include the MR18DE and MR20DE case) intake manifold gasket is moving quite fast compare to other rubber type of manifold gasket.
When I quite don't understand why, I had order some rocker cover gasket kit set from KP, and interestingly found that the intake manifold gasket is included in the rocker cover kit set, which is not seen for other model.
So I wonder if the engine rocker is design as such when it is dismantle, the manifold also need to be take out? From the rocker cover gasket and intake manifold gasket diagram below, can you find the clue?
 



